-
不銹鋼夾子零件沖壓工藝設計
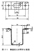
不銹鋼夾子零件分析說明 零件形狀及其一般要求 制件如圖1-1所示,材料為不銹鋼,材料厚度為0.5mm,制件尺寸精度按圖紙要求,未注按IT12級,年產生產50萬件。 工藝分析 1、 零件工藝…
熱門推薦
聯系我們
- 售后熱線: (+86)769-83811196
地址:東莞市常平鎮橋瀝工業區15棟
TAG關鍵詞
- 東莞CNC加工,車床加工廠,車加工,軸加工,五金產品,cnc加工,不銹鋼加工,鈦合金加工,深圳CNC加工,車床件加工,車削加工,配件加工,五金件加工,深圳五金加工廠,銅件,鈦加工,鈑金成型,五金制品,表面處理,鈦零件,鋁制品,鋁件加工,沖壓模具,東莞沖壓,沖壓,鈑金加工,鋁零件加工,鈑金折彎,鈑金廠家,沖壓件,五金沖壓,鈑金成,nc加工,非標五金件,五金沖壓,沖壓廠家,東莞沖壓,沖壓模具,沖壓件,沖壓模具,東莞沖壓,沖壓,沖壓件,五金沖壓,鈑金成,五金沖壓,鈑金成型,壓鑄,沖壓模具,東莞沖壓,沖壓件,五金沖壓,鈑金成,沖壓件,五金沖壓,鈑金成,沖壓模具,東莞沖壓,沖壓,車床加工廠軸加工,數控機床加工,削加工,不銹鋼加工廠,鋁面板加工,鋁殼加工,東莞車床加工,不銹鋼制品加工廠,不銹鋼深加工,東莞五金加工,深圳五金制品,深圳五金加工,東莞五金加工廠家,不銹鋼加工定做,CNC數控加工,數控加工廠,鋁制品加工廠家,高精度cnc加工,cnc加工公司,鋁件精加工,鋁氧化加工,鈦零件,非標五金件,機器加工,大型車床加工廠,精密車床加工,機械加工,數控車床加工廠,










